www.kappmeier.net


Elektronik -Basteleien - Dealer Vorverstärker - die Eingangswahl

8.  Juli 2025

DEALER - die Steuerung und Eingangswahl





Ab hier hören die Gemeinsamkeiten zum Dealer von 1995 auf.  Die folgenden Inhalte sind Teil meiner aktuellen Umsetzung des Verstärkers und dienen als Idee für andere.

In der Regel gibt es mehrere Audiogeräte, daher muss eine Wahlmöglichkeit der Quelle her.  Auch eine Möglichkeit der Fernbedienbarkeit wäre nicht schlecht.

Grundsätzlich kann jeder beliebige Mikrocontroller verwendet werden. Er muss das IR Signal lesen, wenn eine Fernbedienung gewünscht wird. Er steuert die Relais für die Eingangswahl und ev. auch ein Mute-Relais. Möglich ist auch eine mehrfarbige LED für den Gerätestatus. Wenn mehr Komfort gewünscht wird kann auch ein Display angeschlossen werden.

Ich habe für erste Versuche eine aus einem anderen Projekt stammende Schaltung mit einem Mikrocontroller vom Typ ATmega328P verwendet. Durch den Arduino Bootloader besteht die Möglichkeit mit nur einer seriellen Schnittstelle sowohl mit dem Board zu kommunizieren als auch neue Programme zu übertragen.



Microcontrollerboard



Das Board bietet 8 Transistorstufen, eine I²C Schnittstelle, einen Eingang an dem der IR-Sensor sitzt sowie eine Leiste mit 4 digitalen/analogen Ein- bzw. Ausgängen.

Über die Transistor-Schaltstufen werden die Eingang-Relais, ein Relais für das Ausgangssignal sowie ein 2-fach Relais zur Polung eines ALPS Motorpotentiometers gesteuert. Der Motor selbst läuft direkt über eine Transistor-Stufe. Das 16x2 LC-Display hängt am I²C Bus. Es ist ein Standard Hitachi HD44780 Display mit den mittlerweile üblichen I²C Adapterplatinen.

Die 5V-Relais sind separat auf einer eigenen Platine, zusammen mit einem 7805 als "Digitalnetzteil".

Als IR-Sensor kommt ein Modul vom Typ VS1838B zum Einsatz, z.B. hier zu bekommen. Andere wurden auch probiert, mit diesem jedoch die besten Erfahrungen gemacht. Allerdings ist der VS recht empfindlich und sollte mit Sorgfalt behandelt werden....

Zur Fernbedienung diente zunächst ein von einem NAD BEE316C stammender Sender, der passt natürlich von der Tastenbelegung bestens. Jedoch gehört dieser ja zu einem aktiven Gerät. Verwendet wurde stattdessen eine Multimedia Fernbedienung eines ausgemusterten Aopen XCube AV PC. Die Codes der FB lassen sich über die serielle Schnittstelle anzeigen und dann im Code entsprechend nutzen.

Implementiert wurde auch ein Drehgeber mit Tast-Funktion, z.B. als Fertig-Modul HW-040  hier zu bekommen. Das Modul passt bestens zum Anschluss an CON3 des Multi Switches. 

Drehen ändert die Lautstärke, einmal drücken ruft die Quellwahl auf, die Quelle wird per Drehung geändert und per Druck gesetzt.

Ein langer Tastendruck hingegen ruft ein Menü auf, mögliche Funktionen im Menü wären:

- Einschalt-Lautstärke festlegen
- Eingänge individuell benennen
- eine Fernbedienung anlernen



Die gewählte Belegung der Transistorstufen ist wie folgt :

        Kanal 1    Eingangsrelais 1
        Kanal 2    Eingangsrelais 2
        Kanal 3    Eingangsrelais 3
        Kanal 4    Eingangsrelais 4
        Kanal 5    Mute/Ausgangsrelais
        Kanal 6    Motor Relais Richtungsumschaltung
        Kanal 7    Motor Poti Minus
        Kanal 8    n.v.


Die Belegung der 4 fach Leiste :

    Kanal 9        Analogwert des 3. Potikanals =Echtzeitanzeige der Lautstärke
    Kanal 10      Drehgeber, Eingabe-Taste
    Kanal 11      Drehgeber, Richtung 1
    Kanal 12      Drehgeber, Richtung 2






Die Lautstärkesteuerung

Es gibt mehrere Möglichkeiten die Lautstärke zu beeinflussen. Die Einfachste ist ein manuelles Stereo-Poti vom Eingang des Vorverstärkers. Der geneigte Purist legt das Poti so nah wie möglich an die Eingangswahl und bedient dieses dann über eine Stange, nach vorn an die Front gelegt.

Komfortabler geht es über ein Motor getriebenes Stereo-Poti.  In der Regel sind die Motoren einfache 2 polige Ausführungen, je nach anlegen der Spannung drehen sie in die eine oder andere Richtung.

Um den Motor umzupolen wird er über ein Relais geführt. Etwas geschickt beschaltet reicht ein Relais und zwei Transistor-Ausgänge des Controllers (hatte ich erwähnt, dass die Transistorstufen auf dem o.a. Board gegen Masse schalten ?)

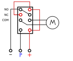
Hier mal eine erste Variante :

Motor.-Polung


Über (+) Plus wird die 5V Versorgung zugeführt. Die Anschlüsse (-) und (P) gehen je an eine Transistorstufe. Im Ruhezustand des Relais wird über (-) Minus der Motor in die eine Richtung aktiviert. Bei Betätigung von (P) Polung wird das Relais umgeschaltet und damit die Versorgung des Motors umgedreht. Bei Betätigung von (-) Minus dreht der Motor nun in die andere Richtung.

Da das Poti jedoch überall stehen kann und der Controller davon nichts mitbekommt, kam die Überlegung auf mit einem 4-Fach Poti einen Kanal die 5V an einen Analogeingang des Controllers zurück zuführen. Dieser hat damit sehr genau den absoluten Stand des Potis, selbst wenn dieses manuell per Hand betätigt wurde.

Grundsätzlich funktioniert dies auch. Aber es gibt da ein kleines Problem. Bei dem verwendeten ALPS 4-Fachpoti läuft der Motor ziemlich lange nach, es ist schwer diesen kontrolliert auf einen bestimmten Wert zu steuern. Die Geschwindigkeit muss kurz vor erreichen des Ziel verlangsamt oder auch der Motor gebremst werden. Kann sein, das es programmtechnisch noch nicht perfekt umgesetzt ist, am Ende wurde die Arbeit daran eingefroren.




Alternative Lautstärkesteuerung

Alternativ waren schon im Vorfeld andere Lösungen im Visier. Es gibt Audio Chips, mit denen lässt sich die Lautstärke digital steuern. Varianten davon sind reine Widerstandsnetzwerke und agieren quasi als Poti, andere sind aktive Chips.

Die einfachen Chips wurden schon verworfen bevor die Arbeiten am DEALER anfingen. Als aktive Chips gibt es beispielsweise den PT2258, die PGA23xx Serie sowie am oberen Ende den MUSES 72320.

Der PT2258 ist ein Tipp aus der Community, danke an "Dichter" ;-). Er wird per I²C angesteuert und hat 6 Kanäle, es gibt ihn in DIP oder SMD Bauform mit 20 Pins.  Das 2-Kanalige Pendant dazu ist der PT2257, dieser hat nur 8 Pins. 

Die PGA Serie gibt es als 2310, 2311 und 2320. Sie sind Werte technisch recht audiophil. Allen drei PGA gemein ist das sie 2 Kanäle haben, seriell über SPI angesteuert werden und das Digitalteil mit 5V versorgt wird. Der Unterschied liegt in der Versorgungsspannung des Analogteils. 2310 und 2320 haben +/- 15V, der 2311 hat +/- 5V. Zusätzlich gibt es den 2310 und 2311 in einer A-Grade bezeichneten Ausführung welche nochmal bessere analoge Werte hat. Als Bauform sind alle in SMD erhältlich, den 2310 und 2311 gibt es auch in herkömmlicher DIP Bauform. Der 2311 ist recht günstig und liegt bei  knapp unter 10,- EUR, die 2310 sind deutlich teurer, insbesondere der 2310PA resp. 2310UA.  I.d.R. sind sie nicht unter 20,- EUR zu bekommen. Bezugsquellen sind Digikey und Mouser.

Der 2311 hat die gleichen Messwerte wie die teureren 2310, braucht bei Verwendung im Dealer aber zus. +/- 5V in Form von 7805 / 7905. Der 2310 ließe sich direkt mit den +/- 15V betreiben.

Aus Interesse wurde bei Ali express ein fertiges Lautstärkemodul mit dem 2310UA organisiert. Dieses Modul hat eine integrierte Spannungsversorgung und braucht nur eine einfache Wechselspannung am Eingang. Auf dem Board sitzt irgendein STM32 Mikrocontroller, dieser liest ein einfaches, aber sehr satt laufendes 10k Poti aus.

Als letztes gibt es den Muses 72320. Dieser ist von den Werten auch über jeden Zweifel erhaben, jedoch nicht so einfach zu programmieren und kostet noch einmal mehr als ein PGA2310.

Mein spätere Wahl für eine große Platine fiel am Ende auf den PGA2311, als Kompromiss aus Qualität, Handhabung und Preis.




Die Eingangswahl


Eingangsbuchsen

Ein Audio-Signal kommt üblicherweise in Form von RCA- / Cinch-Steckern zu unserem Verstärker. Dafür brauchen wir entsprechende Eingangsbuchsen. Leider ist dieses eine Wissenschaft für sich.

Im Laufe meiner Basteleien musste ich verschiedene Hersteller ausprobieren, bis ich bei einem Cinch-Modell hängen blieb. Von einfachen Versionen für 50 Cent über den Neutrik/REAN für 3,- das Stück bis zu hochwertigen WBT Buchsen für >50 EUR das Paar reicht die Auswahl. Hier muss jeder selber entscheiden was zu einem passt. Allesamt sind sie zum Einbach in eine Rückwand gedacht, das Signal wird dann über eine (kurze) Leitung auf die Platine weitergeführt. Möglich ist eine Print-Ausführung, also das direkt auflöten der Buchsen auf die Platine. Dies erfordert aber entweder dass sehr exakte Ausführen der Positionierung oder eine Tochterplatine an der Rückwand, wie dies beim Bauvorschlag von Frank der Fall ist.

Wichtig ist natürlich ein sicherer Kontakt. Eigentlich wird ein Gerät aufgestellt, die Kabel gesteckt und fertig. Ab und zu mal was umgesteckt. Die billigen Blechlaschen Teile habe ich gleich verworfen. Eine Zeit lang habe ich die die vergoldete REAN/Neutrik Variante verwendet. Die sind im Laufe der Zeit wieder raus geflogen, wegen unsicherer Kontaktierung.

Aktuell sitzen rhodinierte Buchsen eines chinesischen Händlers im Gerät. Hier hatte ich gleich zu Anfang Probleme mit dem Stecken. Manche liefen richtig satt, andere waren zu leicht wieder andere brauchten regelrecht Gewalt beim Steckvorgang. Mittlerweile hat sich das Ganze eingespielt und die Buchsen bleiben erst einmal im Gerät.

Ich denke das ich die WBT Variante mal probiere, wenn die herum Frickelei am Gerät nachlässt ;-)



Die Relais

Zur Eingangswahl gehören auch die Relais. Meine Wahl fiel hier auf die Takamisawa RY5W-K mit 5V in THT / Durchsteckmontage. Die Relais sind 2 polig, somit hat jeder Eingang sein eigenes Relais.

In großzügigen Gehäusen oder bei weniger Anzahl der Eingänge kann natürlich auch ein eigenes Relais für Links/Rechts verwendet werden.

Möglich wäre auch die direkte Umschaltung der Eingangssignal über einen Stufen/Drehschalter, wenn keine Fernbedienung gewünscht wird. Hier jedoch eine hochwertige Ausführung zu finden wird schwer werden.

Die Kombination wäre hier dann sinnvoller, also Relais für den Eingang und die Auswahl dieser über einen einfachen Stufenschalter.








 
Fortsetzung : DEALER Teil 4 - Das Gehäuse




Zurück   -   Startseite   -   Impressum